双夹紧机械虎钳
详细描述
MC双夹紧精密机械虎钳:高倍力式全方位精密虎钳,适用于立、卧式综合切削加工中心,普通铣床,摇臂钻,刨床,镗床及其他机械加工领域。
双夹紧机构,单侧可随开口范围自由调整,可做两只大小不同的工件同时加工。
两侧活动设有角固下锁机构,可防止工件上浮。
强而有力材质,虎钳本体使用高抗拉张力球状石墨化铸铁(FCD60~60kgsm㎡).(80,000psi)抗张力强,耐磨性高,不易变形。
双夹紧机构,单侧可随开口范围自由调整,可做两只大小不同的工件同时加工。
两侧活动设有角固下锁机构,可防止工件上浮。
强而有力材质,虎钳本体使用高抗拉张力球状石墨化铸铁(FCD60~60kgsm㎡).(80,000psi)抗张力强,耐磨性高,不易变形。
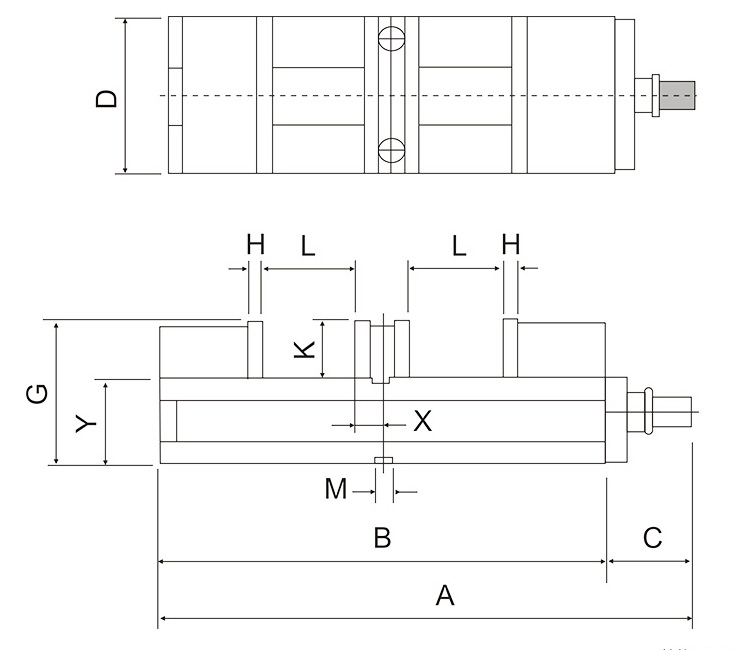
| 型号 | A | B | C | D | G | H | L每侧开口 | M | K | X | Y | 净重 | 毛重 | 装箱尺寸 |
| SMC-160A | 585 | 500 | 85 | 161 | 148 | 15 | 0-100 0-100 | 18 | 58 | 30 | 90 | 56kg | 59kg | 76×28×21.5cm |




